
產品名稱:QB641F氣動保溫球閥
產品標簽:球閥,QB641F氣動保溫球閥
更新時間:2019/6/4 15:39:54
上一個產品: Q971F電動對夾球閥
下一個產品:QJ41M/F耐高溫球閥
在線訂購:在線訂購
產品詳情
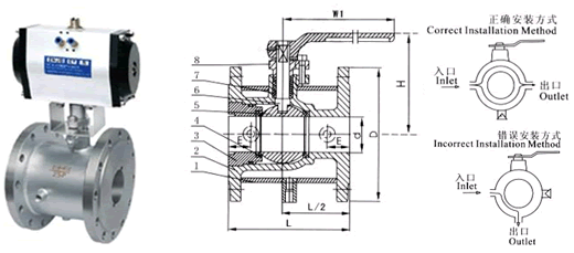
公稱通徑 |
DN15~200、NPS 3/4~8 |
|||
公稱壓力(Mpa) |
PN1.6~2.5、Class150~300、10K、20K |
|||
閥門材料及適用工況 |
零件名稱 |
材 料 |
||
3.閥體 |
WCB |
CF8(304) |
CF8M(316) |
|
2.閥座 |
1Cr18Ni9Ti |
1Cr18Ni9Ti |
0Cr18Ni12Mo2Ti |
|
4.密封圈 |
聚四氟乙烯、對位聚笨 |
|||
5.球體 |
2Cr13 |
1Cr18Ni9Ti |
0Cr18Ni12Mo2Ti |
|
6.閥桿 |
2Cr13 |
1Cr18Ni9Ti |
0Cr18Ni12Mo2Ti |
|
1.夾套 |
25 |
25 |
25 |
|
7.填料 |
聚四氟乙烯、柔性石墨 |
|||
適用介質 |
水、蒸汽、油品 |
硝酸等腐蝕性介質 |
醋酸等腐蝕性介質 |
|
適用溫度 |
-29~180℃(聚四氟乙烯)、-20~300℃(對位聚笨) |
|||
設計制造 |
GB/T 12237-1989、API 608、API 6D、JPI 7S-48、BS5351 |
|||
結構長度 |
GB/T 12221-1989、ANSI B16.10;JIS B2002 |
|||
連接法蘭 |
JB/T74~90(JB74~90)、GB9112~9131、HGJ44-76、SH3406;ANSI B16.5;JIS B2212~2214 |
|||
壓力試驗 |
JB/T 9092-1999、API 598 |
|||
傳動方式 |
手動、蝸輪蝸桿傳動、氣動、電動 |
|||
公稱通徑 |
d |
L |
D |
E |
Q |
H |
W |
管螺紋 |
||
(mm) |
(in) |
(mm) |
(in) |
P |
||||||
20 |
3/4" |
19 |
117 |
40 |
1.5" |
58.5 |
147 |
101 |
170 |
G3/4" |
25 |
1" |
25 |
127 |
50 |
2" |
62.5 |
156 |
106 |
170 |
G3/4" |
40 |
1 1/2" |
38 |
165 |
65 |
2.5" |
63.5 |
181 |
125 |
250 |
G3/4" |
50 |
2" |
51 |
178 |
80 |
3" |
68 |
218 |
135 |
250 |
G3/4" |
80 |
3" |
76 |
229 |
150 |
6" |
82 |
275 |
193 |
350 |
G3/4" |
100 |
4" |
102 |
254 |
200 |
8" |
83 |
300 |
265 |
420 |
G3/4" |
150 |
6" |
152 |
292 |
250 |
10" |
95 |
403 |
355 |
800 |
G3/4" |
200 |
8" |
203 |
330 |
300 |
12" |
100 |
492 |
410 |
800 |
G3/4 |
![]() |





